下座less honorary seat:PC
上盖Upper cover:PC
轴芯Rotor:POM
齿轮Gear:POM
胶圈O-RING:VMQ
油Oil:silicone oil
Ambient temperature: normal temperature 23°
Conditions: One rotation (1 turn) / 1s - pause / 1s - Reverse rotation (1 turn) / 1s - pause / 1s
Lifetime: 30,000 times
环境温度:常温23°
实验方法:向前旋转1.5圈/秒,停止运动1秒,向后旋转1.5圈/秒,停止运动1秒
耐久性能:30000次
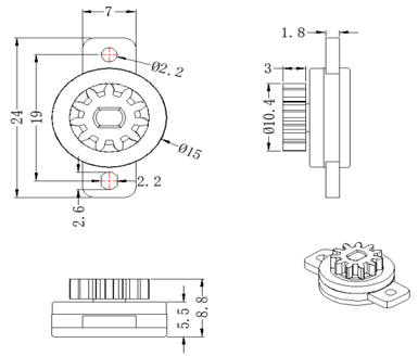
| 型号 | T011 |
| 齿数 | 11 |
| 直径 | ⊘10.4 |
| 分度圆 | ⊘8.8 |
| 模数 | 0.8 |
| 压力角 | 20° |
| 材质 | POM |
Damper torque (23°C ambient temperature) changes with speed. Typically, torque increases with increasing rpm, as shown in the figure above
阻尼器的扭矩(23摄氏度环境温度)随转速的变化而变化。通常情况下,扭矩随着转速的增加而增加,如上图所示
The torque of the damper (speed: 20r/min) changes with changes in ambient temperature. Typically, torque increases at lower temperatures and decreases at higher temperatures, as shown in the graph above
阻尼器的扭矩(转速:20r/min) 随环境温度的变化而变化。通常,在较低温度下扭矩增加,在较高温度下扭矩减小,如上图所示
Cup holder


