下座less honorary seat:PC
上盖Upper cover:PC
轴芯Rotor:POM
齿轮Gear:POM
胶圈O-RING:Silica gel
油Oil:silicone oil
Ambient temperature: normal temperature 23°
Conditions: One rotation (1 turn) / 1s - pause / 1s - Reverse rotation (1 turn) / 1s - pause / 1s
Lifetime: 30,000 times
使用环境温度:常温23°
条件:一圈(1圈)/1秒—暂停/1秒—反转(1圈)/1秒—暂停/1秒
使用寿命:30000次
特澳(Teao)齿轮阻尼器
特澳齿轮阻尼器搭载先进阻尼结构,不仅可显著提升汽车的使用性能与操作体验,更凭借卓越的适配性,广泛应用于汽车、家电、马桶、办公用品等多个领域,成为多场景下的关键阻尼配件。这款阻尼器能够实现柔缓闭合效果,确保杯架、家电门体、办公用品抽屉、马桶盖板等开合动作平稳可控,为各类产品赋予更优质的使用感。
产品核心优势
1、运行平稳:阻尼结构精准控制汽车、家电、办公物品、马桶盖板等开合轨迹,动作顺滑无卡顿,无论是汽车内饰操作还是日常家居、办公使用,都能带来流畅体验。
2、防洒防漏 / 防冲击:应用于汽车杯架,有效缓冲运动惯性,大幅降低饮品泼洒风险;适配家电(如冰箱、消毒柜)、办公用品(如文件柜)时,可减缓闭合冲击,避免内部物品晃动损坏;用于马桶盖板时,防止盖板快速下落撞击缸体。
3、静音降噪:减少汽车配件、家电、办公用品、马桶等开合过程中的机械噪音,无论是静谧车内环境、舒适家居空间还是安静办公场景,都能有效提升环境舒适度。
4、经久耐用:采用优质材质打造,使用寿命可达 30000 次循环,无论高频使用的汽车配件、家电,还是日常频繁操作的办公用品、马桶,都能长期稳定服役。
5、耐温稳定:在 - 23℃~80℃宽温环境下,性能始终保持稳定可靠,适配汽车座舱、家电工作环境、办公场所、卫生间等不同温度场景的使用需求。
6、易集成适配:结构设计适配性强,可无缝嵌入汽车现有杯架机构、家电内部结构、办公用品组件、马桶盖板连接部位,新车设计、老车改装、家电新品研发、旧家电升级、办公用品迭代、马桶翻新均可适用。
7、场景兼容广泛:适配市面上绝大多数车型系统,同时兼容主流家电品牌(冰箱、洗衣机、烤箱等)、各类办公用品(文件柜、抽屉式收纳盒等)、不同规格马桶(家用、公共卫生间等),应用场景覆盖生活与工作多个维度。
7、扭矩可调:支持扭矩参数定制,满足汽车制造商、家电企业、办公用品生产商、卫浴品牌等不同客户的个性化需求,适配不同产品的阻尼力度要求。
8、定制化服务:可根据汽车、家电、办公用品、马桶等不同领域客户的具体技术规格,提供专属定制解决方案,精准匹配各类产品的结构与性能需求。
特澳齿轮阻尼器凭借全面的性能优势,为提升汽车内饰、家电、办公用品、马桶的实用性与舒适感提供了可靠解决方案,是多领域配件中不可或缺的核心组件。
特澳:专业齿轮阻尼器供应商,为您排忧解难
1、卓越产品品质:特澳成立于 2001 年,专注于阻尼器、门锁机构、同步器等汽车零部件,以及家电、办公用品、卫浴类阻尼配件的研发与生产。公司拥有 400 余套模具及先进自动化注塑设备,保障各类场景下齿轮阻尼器的品质稳定与性能可靠。同时,产品严格遵循 RoHS 环保标准,以优质材料与先进工艺,践行对各行业客户的品质承诺。
2、雄厚供应商资质:特澳已通过 IATF 16949 汽车行业质量体系认证、ISO 9001 质量管理体系认证及高新技术企业认证,彰显公司在多领域质量管理与技术创新领域的领先实力。这些权威资质不仅是对国际标准的严格践行,更构筑了企业的核心市场竞争力。此外,公司凭借深厚行业积淀,已与大众、比亚迪、吉利、东风日产等知名车企,美的、海尔、格力等家电品牌,得力、晨光等办公用品企业,箭牌、九牧等卫浴品牌达成长期合作,行业口碑与品牌信誉广受认可。
3、强劲生产实力:特澳配备 20 条自动化生产线,年产能高达 1 亿件,具备承接汽车、家电、办公用品、卫浴等行业大批量订单的交付能力,可确保订单准时交付。自动化生产线的应用不仅提升生产效率,更有效减少人工误差,进一步保障不同领域产品质量的稳定性。
4、先进研发能力:特澳拥有专业研发团队与先进研发设备,持续投入汽车、家电、办公用品、马桶等多场景阻尼器新产品、新技术的研发创新。团队可根据不同行业客户需求开展定制化开发,确保阻尼器产品的性能与功能精准匹配市场多样化需求。凭借技术领先优势与持续创新能力,特澳始终领跑行业发展。
特澳在产品品质、企业资质、生产能力、研发实力、成本控制、服务水平、合作稳定性及环保责任等方面均表现卓越,无论是汽车、家电、办公用品还是卫浴行业,特澳都是齿轮阻尼器领域的优质供应商之选。

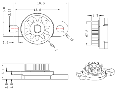
| 类型 | RD-T001 |
| 齿数 | 11 |
| 高度 | 5.1 |
| 模数 | 0.6 |
| 直径 | Φ7.8 |
| 压力角 | 20° |
| 材质 | POM |
Damper torque (23°C ambient temperature) changes with speed. Typically, torque increases with increasing rpm, as shown in the figure above
阻尼器扭矩(23°C环境温度)随速度变化。通常情况下,扭矩随着转速的增加而增加,如上图所示
The torque of the damper (speed: 20r/min) changes with changes in ambient temperature. Typically, torque increases at lower temperatures and decreases at higher temperatures, as shown in the graph above
阻尼器(转速:20r/min)的转矩随环境温度的变化而变化。通常情况下,扭矩在较低的温度下增加,在较高的温度下减少,如上图所示
Electrical cover




