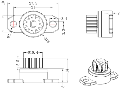
下座less honorary seat:PC
上盖Upper cover:PC
轴芯Rotor:POM
齿轮Gear:POM
胶圈O-RING:Silica gel
油Oil:silicone oil
Ambient temperature: Normal temperature 23°
Conditions: One rotation (1 turn) / 1s - pause / 1s - Reverse rotation (1 turn)/1s - pause / 1s
Lifetime: 30000 times
使用环境温度:常温23°
条件:一圈(1圈)/1秒—暂停/1秒—反转(1圈)/1秒—暂停/1秒
使用寿命:30000次
特澳(Teao)汽车齿轮阻尼器
产品核心优势
1、运行平稳:阻尼结构精准控制杯架开合轨迹,动作顺滑无卡顿
2、防洒防漏:有效缓冲杯架运动惯性,大幅降低饮品泼洒风险
3、静音降噪:减少开合过程中的机械噪音,营造静谧车内环境
4、经久耐用:采用优质材质打造,使用寿命可达30000 次循环
5、耐温稳定:在 23℃常温环境下,性能始终保持稳定可靠
6、易集成适配:结构设计适配性强,可无缝嵌入现有杯架机构,新车设计与老车改装均可适用
7、车型兼容广泛:适配市面上绝大多数车型系统
8、扭矩可调:支持扭矩参数定制,满足不同客户的个性化需求
9、定制化服务:可根据客户具体技术规格,提供专属定制解决方案
特澳齿轮阻尼器凭借全面的性能优势,为提升汽车内饰的实用性与舒适感提供了可靠解决方案,是汽车配件中不可或缺的核心组件。
特澳:专业汽车齿轮阻尼器供应商,为您排忧解难
特澳在产品品质、企业资质、生产能力、研发实力、成本控制、服务水平、合作稳定性及环保责任等方面均表现卓越,是汽车齿轮阻尼器领域的优质供应商之选。

| 齿数 | 11 |
| 模数 | 0.8 |
| 压力角 | 20°c |
| 阻值范围 | 0.5-5Ncm |
| 材质 | POM |
Damper torque (23°C ambient temperature) changes with speed. Typically, torque increases with increasing rpm, as shown in the figure above
阻尼器扭矩(23°C环境温度)随速度变化。通常情况下,扭矩随着转速的增加而增加,如上图所示
The torque of the damper (speed: 20r/min) changes with changes in ambient temperature. Typically, torque increases at lower temperatures and decreases at higher temperatures, as shown in the graph above
阻尼器(转速:20r/min)的转矩随环境温度的变化而变化。通常情况下,扭矩在较低的温度下增加,在较高的温度下减少,如上图所示





