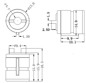
下座less honorary seat:PC
上盖Upper cover:PC
轴芯Rotor:POM
胶圈O-RING:Silica gel
油Oil:silicone oil
Ambient temperature: normal temperature 23°
Conditions: One rotation (1 turn) / 1s - pause / 1s - Reverse rotation (1 turn) / 1s - pause / 1s
Lifetime: 30,000 times
环境温度:常温23°
实验方法:向前旋转1.5圈/秒,停止运动1秒,向后旋转1.5圈/秒,停止运动1秒
耐久性能Lifetime:30000次
特澳(Teao)圆筒阻尼器
特澳圆筒阻尼器采用精密圆筒式结构设计,以一体化密封工艺与精准阻尼调控技术,不仅大幅提升汽车、家电、卫浴、办公用品等产品的操作质感与使用稳定性,更凭借紧凑的结构形态与广泛的适配能力,成为多领域不可或缺的核心阻尼配件。这款阻尼器可实现匀速柔缓的开合效果,确保汽车杯架、家电门体、办公抽屉、马桶盖板等部件的启闭动作平稳可控,为各类产品赋予更顺滑、安静、耐用的使用体验。
产品核心优势:
1、运行平稳:圆筒式阻尼结构精准把控轨迹,开合动作线性顺滑无卡顿,无论是汽车内饰的精细操作,还是家居、办公场景的日常使用,都能带来如丝般流畅的操作感受。
2、防洒防漏 / 防冲击:应用于汽车杯架时,有效缓冲惯性冲击,显著降低饮品泼洒风险;适配冰箱、消毒柜等家电及文件柜等办公用品时,减缓闭合冲击力,避免内部物品晃动损坏;用于马桶盖板时,杜绝快速下落撞击缸体的问题。
3、静音降噪:圆筒密封结构减少机械摩擦噪音,在汽车座舱、家居空间、办公环境中,有效削弱开合过程中的嘈杂声响,大幅提升环境舒适度。
4、经久耐用:选用高强度密封材质与耐磨内核,经过严苛测试,使用寿命可达 30000 次循环,即便面对高频使用的汽车配件、家电、办公用品,也能长期稳定服役,不易出现漏油、卡顿等问题。
5、耐温稳定:在 - 23℃~80℃宽温环境下,密封性能与阻尼力度始终保持稳定,完美适配汽车座舱、家电工作环境、卫生间等不同温度场景的使用需求,无惧高低温考验。
6、易集成适配:紧凑的圆筒形态设计适配性极强,可无缝嵌入汽车杯架机构、家电内部腔体、办公用品组件、马桶盖板连接部位,无论是新车设计、老车改装,还是家电新品研发、旧家电升级、办公用品迭代、马桶翻新,均可轻松集成。
7、场景兼容广泛:全面适配市面上绝大多数车型系统,兼容美的、海尔、格力等主流家电品牌(冰箱、洗衣机、烤箱等)、得力、晨光等品牌办公用品(文件柜、抽屉式收纳盒等),以及各类规格马桶(家用、公共卫生间等),覆盖生活与工作全场景。
8、扭矩可调:支持扭矩参数个性化定制,可根据汽车制造商、家电企业、办公用品生产商、卫浴品牌等不同客户的需求,精准匹配不同产品的阻尼力度要求,灵活适配多样化使用场景。
9、定制化服务:依托专业研发团队,可根据各行业客户的具体技术规格,提供专属定制解决方案,从圆筒尺寸、阻尼参数到安装接口,全方位匹配各类产品的结构与性能需求。
特澳:专业圆筒阻尼器供应商,为您排忧解难
1、卓越产品品质:特澳成立于 2001 年,专注于阻尼器、门锁机构、同步器等汽车零部件,以及家电、办公用品、卫浴类阻尼配件的研发与生产。公司拥有 400 余套专业模具及先进自动化注塑设备,保障圆筒阻尼器的密封性能、结构精度与品质稳定性。产品严格遵循 RoHS 环保标准,以优质环保材料与精密工艺,践行对各行业客户的品质承诺。
2、雄厚供应商资质:特澳已通过 IATF 16949 汽车行业质量体系认证、ISO 9001 质量管理体系认证及高新技术企业认证,彰显在质量管理与技术创新领域的领先实力。凭借过硬的产品品质与服务能力,已与大众、比亚迪、吉利、东风日产等知名车企,美的、海尔、格力等家电品牌,得力、晨光等办公用品企业,箭牌、九牧等卫浴品牌达成长期合作,行业口碑与品牌信誉广受认可。
3、强劲生产实力:配备 20 条自动化生产线,年产能高达 1 亿件,具备承接汽车、家电、办公用品、卫浴等行业大批量订单的交付能力,确保订单准时交付。自动化生产流程不仅提升效率,更有效控制产品一致性,保障每一款圆筒阻尼器的质量稳定。
4、先进研发能力:拥有专业研发团队与先进研发设备,聚焦圆筒阻尼器的结构优化、性能升级与场景适配创新。团队可快速响应客户定制需求,开展针对性开发,确保产品精准匹配市场多样化需求,凭借技术领先优势始终领跑行业发展。
特澳圆筒阻尼器以全面的性能优势、可靠的产品品质与灵活的定制服务,为提升汽车内饰、家电、办公用品、马桶的实用性与舒适感提供核心支撑,是各领域企业的优质供应商之选。


Damper torque (23°C ambient temperature) changes with speed. Typically, torque increases with increasing rpm, as shown in the figure above
阻尼器的扭矩(23摄氏度环境温度)随转速的变化而变化。通常情况下,扭矩随着转速的增加而增加,如上图所示
The torque of the damper (speed: 20r/min) changes with changes in ambient temperature. Typically, torque increases at lower temperatures and decreases at higher temperatures, as shown in the graph above
阻尼器的扭矩(转速:20r/min) 随环境温度的变化而变化。通常,在较低温度下扭矩增加,在较高温度下扭矩减小,如上图所示



